
Sulama Sorunu Kaçak Elektrik Olarak Yansıyor
Escon Enerj, CEO'su Onur Ünlü: "Doğru Kojenerasyon Tasarımı Maksimum Verimlilik Sağlar"
Küresel Batarya Pazarları Hızla Büyüyor ve Tedarik Riskleri de Artıyor
MWM, Yüksek Verimli TCG 4170 V20 R ile Güç Üretim Portföyünü Genişletiyor
|
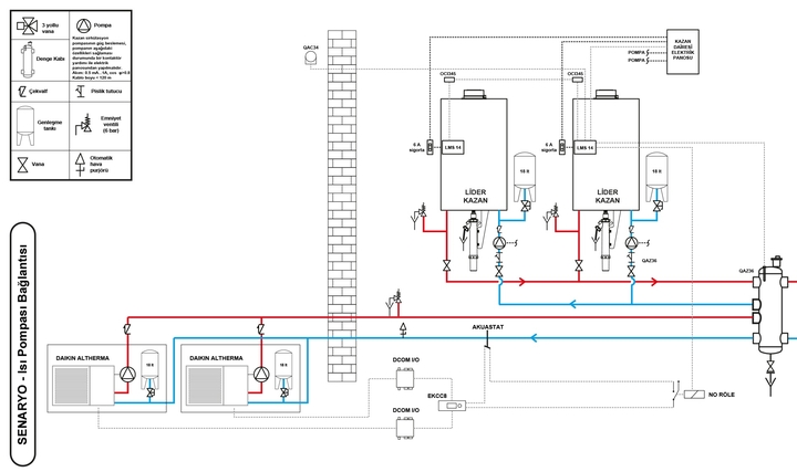
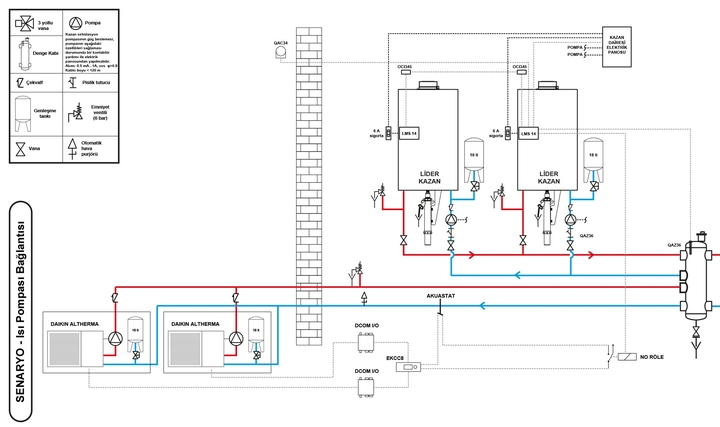
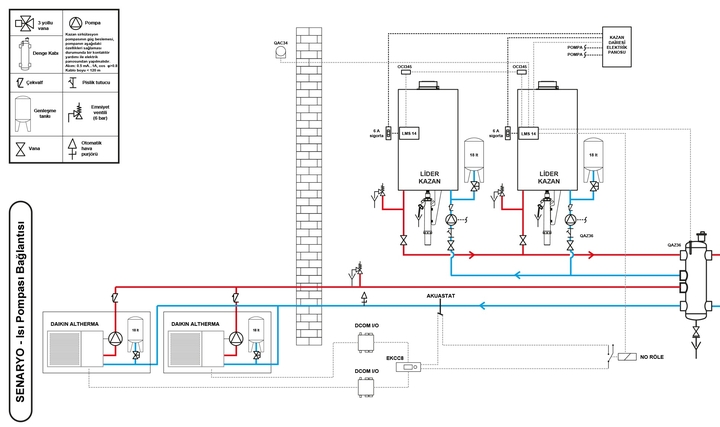
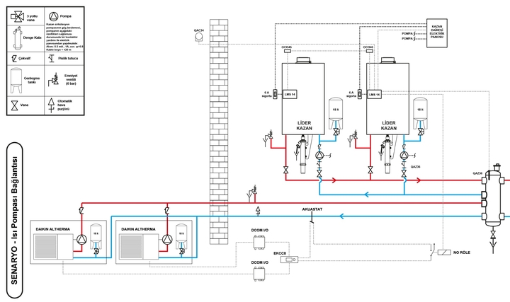
Daikin'den 'Neredeyse Sıfır Enerjili Binalar' (NSEB) Yönetmeliği için Yeni Hibrit Sistem![]()
Çevreci ve yenilikçi teknolojinin iklimlendirme sektöründeki öncüsü Daikin, ürettiği cihazlara getirdiği yeniliklerle bu alandaki çıtayı yukarı taşımaya devam ediyor. Çevreye verdiği önemi her fırsatta dile getiren marka; Çevre, Şehircilik ve İklim Değişikliği Bakanlığınca hazırlanan ‘Binalarda Enerji Performansı Yönetmeliğinde Değişiklik Yapılmasına Dair Yönetmelik’in Resmi Gazete’de yayımlanması ile birlikte kazan ve ısı pompasının birlikte çalıştığı son derece verimli ve yönetmeliğin ihtiyaçlarını karşılayan bir sistem geliştirdi. İlgili yönetmelik, normal binalara göre enerji verimliliği daha fazla olan ve kullandığı enerjinin belirli bir kısmını yenilenebilir enerji kaynaklarından temin eden “Neredeyse Sıfır Enerjili Binalar” konseptine geçişi aşamalı olarak zorunlu hale getiriyor. 1 Ocak 2023 tarihinden itibaren yürürlüğe giren yönetmelikle birlikte artık 5 bin metrekareden büyük olan tüm binaların enerji performans sınıfının en az “B” olacak şekilde inşa edilmesi ve tükettikleri enerjinin en az yüzde 5’ini yenilenebilir enerji kaynaklarından karşılamaları gerekiyor. Yeni uygulama ile yenilenebilir enerji ve yeşil binalar, inşaat sektörünün tercihlerindeki etkisini artıran bir unsur olarak öne çıkıyor. Kazan ve Altherma, Hibrit Bir Çözüm Getiriyor Daikin, mucidi olduğu R-32 soğutucu akışkanlı ısı pompaları ve Daikin Türkiye’nin Hendek’te yer alan üretim merkezinde üretilen Sensei Duvar Tipi Kazanları ile çevreci ve avantajlı bir sistem geliştirdi. Kazan ve ısı pompasının bir arada kullanıldığı bu hibrit sistem ile daha verimli ve sürdürüle bilir bir dünyanın kapısını aralayarak kullanıcıların beğenisine sundu. Daikin’in gerçekleştirdiği çalışmaya göre; ‘Daikin Sensei Duvar Tipi Kazan’lar ile ‘Altherma’ modellerini hibrit olarak çalıştırarak, ‘Neredeyse Sıfır Enerjili Binalar’ (NSEB) hesaplamalarında bina enerji performans sınıfının yükselmesi sağlanabiliyor. Hazırlanan sistem çalışmasında ana ısıtma ünitesi olarak yoğuşmalı kazanlar kullanılıyor. Isı pompası havadaki yenilenebilir enerjiyi belli oranda sisteme enjekte ediyor. Isı pompası tesisattan dönen düşük sıcaklıktaki dönüş suyunun sıcaklığını 5°- 8° C’ye kadar yükselterek kazan dönüş su sıcaklığını yükseltiyor ve kazan da su sıcaklığını ayarlanan seviyeye çıkartıyor. İlginizi çekebilir... Verimlilik Artırıcı Projelere 27 Milyon Lirayı Aşan DestekEnerji ve Tabii Kaynaklar Bakanlığı Verimlilik Artırıcı Proje Destek Programı'nın kapsamını genişletti.... "Enerjiyi Maliyet Kalemi Olmaktan Çıkartıp Stratejik Enstrümana Dönüştürmeliyiz"Türkiye'de enerji hizmet şirketlerini temsil eden tek sivil toplum kuruluşu olarak 15'inci yılını geride bırakan Enerji Verimliliği ve Yönetim... ABB Synrm Motorlar ve Değişken Hızlı SürücülerModern toplumun ihtiyaç duyduğu inanılmaz miktardaki suyun taşınması ve işlenmesi enerji yoğun bir süreçtir.... |
|||||||||||
©2026 B2B Medya - Teknik Sektör Yayıncılığı A.Ş. | Sektörel Yayıncılar Derneği üyesidir. | Çerez Bilgisi ve Gizlilik Politikamız için lütfen tıklayınız.